| The ebook FEEE - Fundamentals of Electrical Engineering and Electronics is based on material originally written by T.R. Kuphaldt and various co-authors. For more information please read the copyright pages. |
|

Home Semiconductors Insulated-Gate Field-Effect Transistors IGBTs |
|
|
|
|
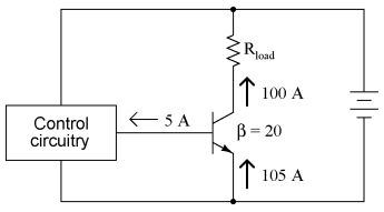
IGBTsBecause of their insulated gates, IGFETs of all types have extremely high current gain: there can be no sustained gate current if there is no continuous gate circuit in which electrons may continually flow. The only current we see through the gate terminal of an IGFET, then, is whatever transient (brief surge) may be required to charge the gate-channel capacitance and displace the depletion region as the transistor switches from an "on" state to an "off" state, or vice versa. This high current gain would at first seem to place IGFET technology at a decided advantage over bipolar transistors for the control of very large currents. If a bipolar junction transistor is used to control a large collector current, there must be a substantial base current sourced or sunk by some control circuitry, in accordance with the β ratio. To give an example, in order for a power BJT with a β of 20 to conduct a collector current of 100 amps, there must be at least 5 amps of base current, a substantial amount of current in itself for miniature discrete or integrated control circuitry to handle:
It would be nice from the standpoint of control circuitry to have power transistors with high current gain, so that far less current is needed for control of load current. Of course, we can use Darlington pair transistors to increase the current gain, but this kind of arrangement still requires far more controlling current than an equivalent power IGFET:
Unfortunately, though, IGFETs have problems of their own controlling high current: they typically exhibit greater drain-to-source voltage drop while saturated than the collector-to-emitter voltage drop of a saturated BJT. This greater voltage drop equates to higher power dissipation for the same amount of load current, limiting the usefulness of IGFETs as high-power devices. Although some specialized designs such as the so-called VMOS transistor have been designed to minimize this inherent disadvantage, the bipolar junction transistor is still superior in its ability to switch high currents. IGBT Insulated-Gate Bipolar Transistor IGT Insulated-Gate Transistor COMFET Conductivity-Modulated Field-Effect Transistor Bipolar-mode MOSFETAn interesting solution to this dilemma leverages the best features of IGFETs with the best of features of BJTs, in one device called an Insulated-Gate Bipolar Transistor, or IGBT. Also known as an Bipolar-mode MOSFET, a Conductivity-Modulated Field-Effect Transistor (COMFET), or simply as an Insulated-Gate Transistor (IGT), it is equivalent to a Darlington pair of IGFET and BJT:
In essence, the IGFET controls the base current of a BJT, which handles the main load current between collector and emitter. This way, there is extremely high current gain (since the insulated gate of the IGFET draws practically no current from the control circuitry), but the collector-to-emitter voltage drop during full conduction is as low as that of an ordinary BJT. One disadvantage of the IGBT over a standard BJT is its slower turn-off time. For fast switching and high current-handling capacity, it's difficult to beat the bipolar junction transistor. Faster turn-off times for the IGBT may be achieved by certain changes in design, but only at the expense of a higher saturated voltage drop between collector and emitter. However, the IGBT provides a good alternative to IGFETs and BJTs for high-power control applications.
|
|
Home Semiconductors Insulated-Gate Field-Effect Transistors IGBTs |
|