| Capacitors, Magnetic Circuits, and Transformers is a free introductory textbook on the physics of capacitors, coils, and transformers. See the editorial for more information.... |
|

Home The Transformer Voltage Ratio, Current Ratio, and Impedance Ratio The Ideal Transformer |
|||
|
|||
The Ideal Transformer
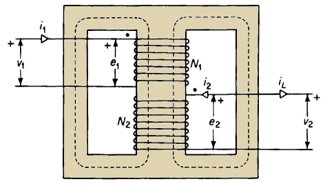
The ideal transformer is an imaginary one that has no core losses and no leakage fluxes. The windings have no resistance and the core has infinite magnetic permeability. Such a transformer would therefore have no losses and no exciting current. Figure 6-4 is a schematic diagram of a two-winding, shell-type transformer. Assume this transformer to be ideal. Then the mean path of the flux would be approximately as indicated by the broken lines whether the transformer is operating under load or at no load. It must be kept in mind that Fig. 6-4 is schematic, and that if the transformer were ideal the magnetic coupling between the windings would need to be perfect. The coupling between the windings shown in Fig. 6-4 is rather loose, but the windings are shown this way for reasons of simplicity. If the windings were arranged in an actual shell-type transformer as shown in Fig. 6-4, the mmfs due to the load current would produce sizeable leakage fluxes along the paths indicated in Fig. 6-7(a), although at no load the leakage flux would be small. All the flux in the transformer would be confined almost entirely to the core, as indicated by the broken lines in Fig. 6-4. An arrangement that is generally used to promote tight magnetic coupling between windings is shown for a shell-type transformer in Fig. 6-8, and for a core-type transformer in Fig. 6-9.
Leakage fluxes and their effects on the characteristics of transformers are taken up later on in this chapter.
|
|||
Home The Transformer Voltage Ratio, Current Ratio, and Impedance Ratio The Ideal Transformer |
|||